
Контактный озоностойкий резервуар Calplas CO, диаметр 415-960
Цена по запросу
Спроектировано и изготовлено в соответствии с нормами EN 13121-3.
Расчетное давление 2,5 кг/см2 | Испытательное давление 3,75 кг/см2.
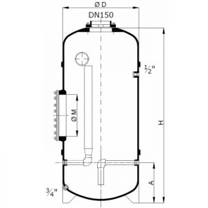
Армированный сталью фильтр.
Резьбовые подсоединения являются частью корпуса.
Смотровое стекло.
Максимальная концентрация озона 1 ppm.
Расчетная температура 40°C.





